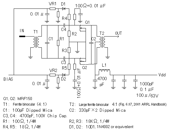
Fig. 1: A typical MRF150 PA module (250W PEP output).
A typical MRF150 PA module (250W PEP output).