| Wireless for the Warrior - Volume 2 (courtesy Mr. Louis Meulstee, PA0PCR) | Supplement No. 1 |
Wireless Set No. 62
Power Supply Transistorised No. 36
The transistor power supply for Wireless Set No. 62 (Cat
No. Z1/5820-99-102-2776) is a direct replacement for the rotary transformer power unit
which is normally issued with the standard equipment. It operates on 12 V DC and results
in a considerable reduction in battery consumption. Year of introduction was about 1963.
Around 1965 the stocks of the rotary transformer unit were wasted out and Power Supply
Transistorised No. 36 was issued in lieu. Sets fitted with the new transistor power supply
unit were marked in red lettering "TRANSISTORISED P.S.U." in a space left above
the front panel meter.
The complete unit is housed in a ventilated metal case with the same
overall dimensions as those of the rotary transformer power unit. When installed it is
bolted directly to the chassis for the No. 62 Set, the two securing screws being provided
with adapter washers to replace the rubber grommets on which the rotary transformer power
unit is mounted.
| Rotary transformer | Transistor power supply | |
| Average current | Average current | |
| Listening watch | 3A | 0.9A |
| Receive (ALL ON) | 3.7A | 1.5A |
| 1:5 transmit/Receive | 4.2A | 2.3A |
| Transmit CW | 5A | 2.7A |
| Transmit R/T | 4.6A | 2.5A |
Differences in current consumption Wireless Set No. 62.
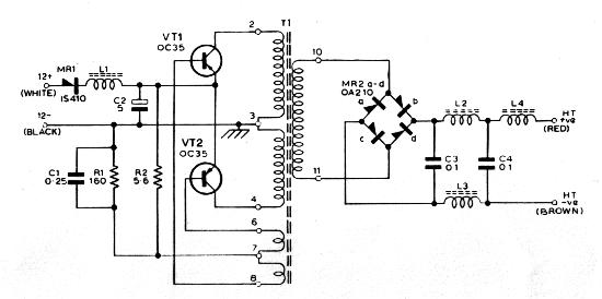
The unit operates from 12V DC and uses two transistors
type OC35 in a conventional push-pull DC converter circuit with saturable transformer coil
switching. Diode MR1 provides protection for the transistors if the supply is connected in
the wrong polarity. The frequency of operation of the converter is approximately
1.5kHz.
Circuit diagram of Power Supply Transistorised No. 36
| C1 | 0.25µF 150V | R1 | 160W 6W | VT1/2 | OC35 | L1 | 1mH |
| C2 | 5µF 50V | R2 | 5.6W 3W | MR1 | IS410 | L2/3 | 500µH |
| C3 | 0.1µF 600V | T1 | AL21091 | MR2 | OA210 | L4 | 155mH |
List of components Power Supply Transistorised No. 36